电动机控制与保护电器
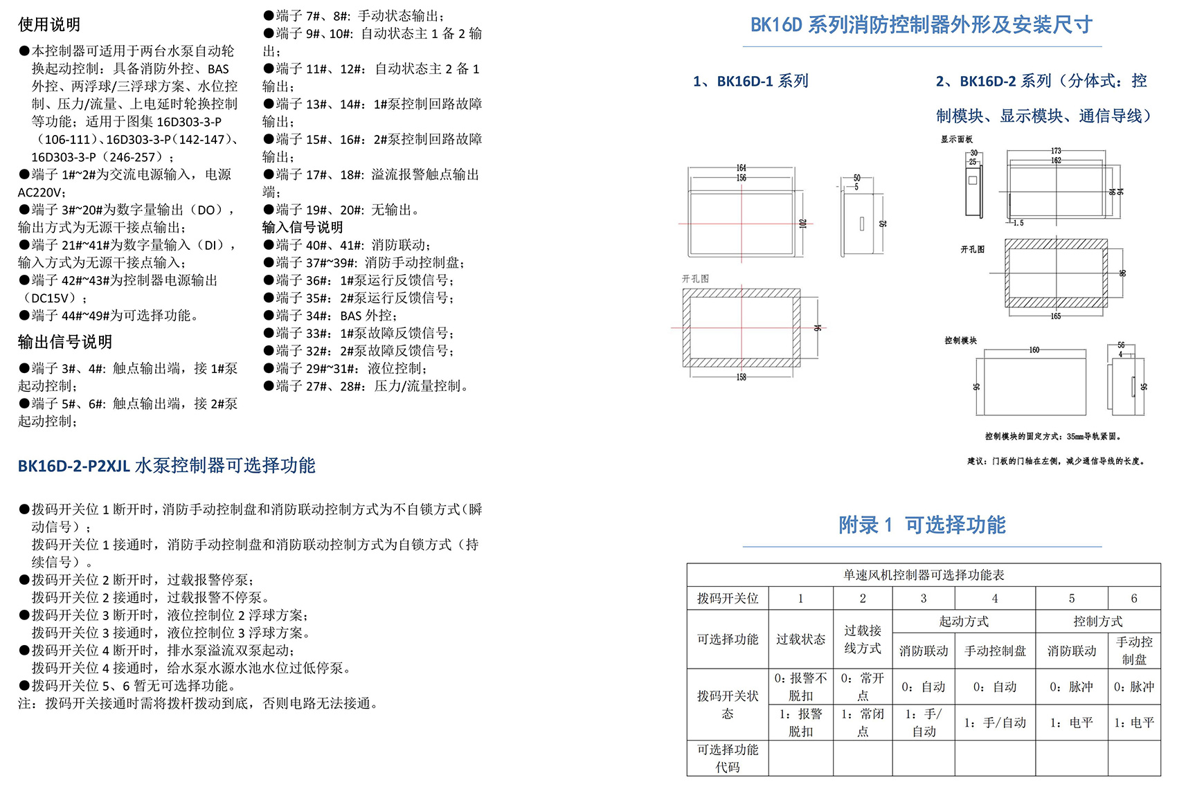
BK16D 系列电动设备控制器
产品简介:
BK16D系列电动设备控制器是一款针对行业风机水泵控制箱设计的系列产品,产品满足国家建筑标准设计图集《16D303-2 常用风机控制电路图》及《16D303-3 常用水泵控制电路图》。本产品采用智能化手段,用逻辑计算代替了传统的按钮、指示灯、转换开关、中间继电器、时间继电器等器件,接线方便,简单快捷。相较于传统的接线方式,本产品可节约硬件投入、减少二次布线、节约工时,并具备故障率低,检修方便。
品  牌:宝凯
电  话:400-8366-990
邮  箱:baokai3102607@163.com
地  址:保定市徐水区大王店工业园区朝阳北大街266号